NAČÍTÁNÍ BINÁRNÍCH HODNOT S VYUŽITÍM CD4021
Vágner Vlastimil
Převodník se připojuje na sériový port počítače PC nebo přes redukci USB/COM tato musí podporovat všechny vstupy/výstupy sériového portu PC ne všechny redukce tyto signály podporují!,vstupní data jsou zobrazena na monitoru počítače v desítkové a binární hodnotě.Převodník je vyroben pro již hotovou sestavu meteorologické stanice kde rozšíří stávající měření o měření směru větru,dá se použít i v jiných zařízeních a je možné zapojení použít pro vlastní inspiraci ti kdož programují si napíší vlastní program dle individuálních potřeb.
POPIS PŘEVODNÍKU
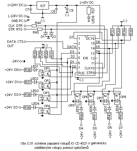
Schéma zapojení převodníku je na obrázku č.01 napájení je možné napětím od 12VDC do 24VDC které je stabilizováno IO7 což je stabilizátor 7805 na napětí 5V toto napětí již napájí integrovaný obvod CD4021 a signalizační led D9 dále napájí tranzistory v optočlenech OP1 až OP8 které oddělují vstupy CD4021.Led diody v optočlenech OP1 až OP8 jsou led diodami D1 až D8 a rezistory R36 až R43 napájeny napětím (+24)V,(-24)V je připojeno na svorku označenou -24V se šipkou toto napětí 24VDC je z jiného zdroje než je zdroj 24VDC napájející stabilizátor IO7 a elektroniku převodníku.Napájení převodníku si každý uzpůsobí podle vlastních potřeb,stejně tak napájení vstupů D0 až D7 CD4021 kde nemusí použít optočleny.Řídící vstupy z počítače které ovládají vstupy CD4021 CLK a STR jsou stabilizovány na napětí 4.7V zenerovými diodami D1 a D2 společně s rezistory R44 a R45.Řřídící vstup CLK integrovaného obvodu CD4021 je připojen na výstup DTR sériového portu PC,řídící vstup STR integrovaného obvodu CD4021 je připojen na výstup RTS sériového portu PC.Načtená data z CD4021 jsou čtena na vstupu CTS sériového portu počítače PC.

Seznam součástek:
Rezistory : R27….1K5 , R28 až R35……20K , R36 až R43….5K , R44,R45….10K ,
Diody : D1,D2 (ZENERKY)….4.7V , Led Diody D1 až D9 …..2V/0.002A 3mm ,
Optočlen : OP1 až OP8 …PC817 , IO7….7805 , IO8 ….CD4021 ,
Kondenzátory : C7,C8 ….100nF Keramika , C9 …..470uF/25V Elektrolyt,
Všechny rezistory jsou na zatížení 1/4W
OŽIVENÍ PŘEVODNÍKU
Po osazení součástek připojíme napájecí napětí a na výstupu IO7 změříme napětí zde musí být napětí 5VDC,po změření odpojíme zdroj od převodníku osadíme do patice IO8,optočleny OP1 až OP8 zatím neosazujeme.Propojíme kabelem převodník s počítačem zapneme napájení převodníku na počítači spustíme program jak je uvedeno v popisu programu,na vstupy D0 až D7 IO8 postupně připojujeme kladné napětí (+5)V ze stabilizátoru IO7.POZOR NAPĚTÍ NA VSTUPECH D0 až D7 NESMÍ PŘEKORČIT NAPÁJECÍ NAPĚTÍ INTEGROVANÉHO OBVODU CD4021!!.Při postupném připojování napětí (+5)V na vstupy D0 až D7 se na monitoru PC musí zobrazovat hodnota v desítkové a binární hodnotě dle připojeného nebo současně více připojených vstupů CD4021,po odzkoušení všech vstupů CD4021 odpojíme napájecí napětí od převodníku ukončíme program a osadíme optočleny OP1 až OP8 do patic. Tímto máme převodník oživený a připravený k použití pro svoje pokusy.
POPIS PROGRAMU
Program je odladěn v Turbo Pascalu a je součástí adresáře CD4021 má název vstup.exe jde spustit pod OS DOS,pod OS Windows 95/98 po restartu PC a volbě klávesou F8 pouze DOS nebo z příkazové řádky.Pod operačními systémy Windows 2000 XP/NT,Windows 7 jde spustit pouze z příkazové řádky pokud jsou tyto řádně nainstalovány ve 32-bitové verzi.Po spuštění programu volíme sériový port kde je připojený převodník ten volíme stiskem klávesy 1 až 4,stiskem klávesy s číslicí 1 volíme port COM1 stiskem klávesy s číslicí 2 volíme port COM2. a atd.Po volbě portu a s připojeným převodníkem pokud připojíme na vstupy OP1 až OP7 kladné napětí,se již na monitoru zobrazí desítková hodnota vstupu a současně i binární hodnota vstupu,program ukončíme stiskem klávesy ESC.
Bližší informace na : vagnervlastimil@seznam.cz
Tel.: +420 607 405 007

osazená DPS

Aktivované vstupy CD4021

Spuštěný program pod OS WINDOWS XP z příkazové řádky,
načtená hodnota je k aktivovaným vstupům z obrázku výše.